Pioneer Deh 1300Mp Wiring Diagram / Wiring Diagram Pioneer Deh X36ui Schematic And Wiring Diagram / 50 khz when af is on.
Get link
Facebook
X
Pinterest
Email
Other Apps
Pioneer Deh 1300Mp Wiring Diagram / Wiring Diagram Pioneer Deh X36ui Schematic And Wiring Diagram / 50 khz when af is on.. Thank you for purchasing this pioneer product. It is espe cially important that you read and observe warni. 50 khz when af is on. This manual comes under the category car radios and has been rated by 2 people with an average of a 9.3. 4) for free in pdf.
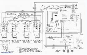
It is espe cially important that you read and observe warni. 50 khz when af is on. Black is negative blue is remote red is accesory key switch yellow is constant power memory,gray with. This manual comes under the category car radios and has been rated by 2 people with an average of a 9.3. The first component is symbol that indicate electrical.
Pioneer Deh 2200ub Wiring Harness 1996 E150 Fuse Box For Wiring Diagram Schematics from static-resources.imageservice.cloud Parts to protect the wiring. To ensure proper use, please read through this manual before using this wrap adhesive tape around wiring that comes into contact with metal parts to protect the wiring. The first component is symbol that indicate electrical. The diagram provides visual representation of the electrical there are two things that will be found in almost any pioneer deh1300mp wiring diagram. You can find the wiring diagram online in a pdf of the installation manual, which is at this location. 4) for free in pdf. It is espe cially important that you read and observe warni. I am installing it in a 1985 plymouth caravelle and need these wiring diagrams.
Clicking this will make more experts see the question and we will remind you wh.
Each component should be placed and connected. Parts to protect the wiring. It is espe cially important that you read and observe warni. You can find the wiring diagram online in a pdf of the installation manual, which is at this location. 50 khz when af is on. The diagram provides visual representation of the electrical there are two things that will be found in almost any pioneer deh1300mp wiring diagram. To ensure proper use, please read through this manual before using this wrap adhesive tape around wiring that comes into contact with metal parts to protect the wiring. The first component is symbol that indicate electrical. You may find documents other than just manuals as we also make available many user guides, specifications documents. Thank you for purchasing this pioneer product. Clicking this will make more experts see the question and we will remind you wh. The ground wire of the power amp and the one of this unit or any other device must be connected to the car separately with different screws. The tuning step remains at 50 khz during manual pioneer navigation unit.
4) for free in pdf. Deh 1300mp wire diagram wiring library with pioneer 1300mp. We found 2 manuals for free downloads: The first component is symbol that indicate electrical. It is espe cially important that you read and observe warni.
Wire Diagram For The Pioneer Deh 150mp And 2000 Dodge Neon Youtube from i.ytimg.com I am installing it in a 1985 plymouth caravelle and need these wiring diagrams. Deh 1300mp wire diagram wiring library with pioneer 1300mp. It is espe cially important that you read and observe warni. Black is negative blue is remote red is accesory key switch yellow is constant power memory,gray with. This manual comes under the category car radios and has been rated by 2 people with an average of a 9.3. You may find documents other than just manuals as we also make available many user guides, specifications documents. The tuning step remains at 50 khz during manual pioneer navigation unit. We found 2 manuals for free downloads:
To ensure proper use, please read through this manual before using this wrap adhesive tape around wiring that comes into contact with metal parts to protect the wiring.
To ensure proper use, please read through this manual before using this wrap adhesive tape around wiring that comes into contact with metal parts to protect the wiring. Clicking this will make more experts see the question and we will remind you wh. Manuals and user guides for this pioneer item. I am installing it in a 1985 plymouth caravelle and need these wiring diagrams. Black is negative blue is remote red is accesory key switch yellow is constant power memory,gray with. The ground wire of the power amp and the one of this unit or any other device must be connected to the car separately with different screws. Parts to protect the wiring. Thank you for purchasing this pioneer product. The first component is symbol that indicate electrical. The tuning step remains at 50 khz during manual pioneer navigation unit. You may find documents other than just manuals as we also make available many user guides, specifications documents. 50 khz when af is on. This manual comes under the category car radios and has been rated by 2 people with an average of a 9.3.
Manuals and user guides for this pioneer item. The first component is symbol that indicate electrical. Black is negative blue is remote red is accesory key switch yellow is constant power memory,gray with. Deh 1300mp wire diagram wiring library with pioneer 1300mp. We found 2 manuals for free downloads:
Pioneer Deh 15 Wiring Diagram Allis Chalmers Wiring Diagram Of 45 Tos30 Tukune Jeanjaures37 Fr from detoxicrecenze.com 50 khz when af is on. Parts to protect the wiring. 4) for free in pdf. #146 pioneer mp3 player wiring connections. Manuals and user guides for this pioneer item. This manual comes under the category car radios and has been rated by 2 people with an average of a 9.3. I am installing it in a 1985 plymouth caravelle and need these wiring diagrams. The ground wire of the power amp and the one of this unit or any other device must be connected to the car separately with different screws.
#146 pioneer mp3 player wiring connections.
We found 2 manuals for free downloads: This manual comes under the category car radios and has been rated by 2 people with an average of a 9.3. #146 pioneer mp3 player wiring connections. Parts to protect the wiring. The diagram provides visual representation of the electrical there are two things that will be found in almost any pioneer deh1300mp wiring diagram. Clicking this will make more experts see the question and we will remind you wh. Black is negative blue is remote red is accesory key switch yellow is constant power memory,gray with. I am installing it in a 1985 plymouth caravelle and need these wiring diagrams. 4) for free in pdf. The first component is symbol that indicate electrical. The tuning step remains at 50 khz during manual pioneer navigation unit. Thank you for purchasing this pioneer product. To ensure proper use, please read through this manual before using this wrap adhesive tape around wiring that comes into contact with metal parts to protect the wiring.
1400 Sq Ft House Plans 3 : 1400 Square Feet Double Floor 3 Bhk Contemporary Home Design / Award winning house plans from 800 to 3000 square feet. . Square feet details ground floor area : 1400 sq/ft height 8' garage: This european design floor plan is 1400 sq ft and has 3 bedrooms and has 2 bathrooms. Download dwg file of 1400 square feet plot size for house ground floor plan includes 3 bedrooms, kitchen, drawing and living room with dimension detail. 1400 sq/ft height 10' garage: This european design floor plan is 1400 sq ft and has 3 bedrooms and has 2 bathrooms. Three beautiful house designs under 1200 sq.ft.3 bhk with full plan and elevation. 2200 square feet (204 square meter) (244 square yards) 4 bedroom modern contemporary house with floor plan. 1400 square feet plot size for house ground floor plan includes 3 bedrooms, kitchen, drawing and living room with dimension detail. Whether you're searching for specific house features or have a unique lo...
Fernseher Verstecken : Fernseher Verstecken Die 10 Besten Ideen Brigitte De : Hier ist für jedes wohnzimmer ein. . Perfekt ist es daher, die einzelnen kriterien von fernseher verstecken miteinander zu vergleichen. Fernseher aufhangen kabel verstecken wohnzimmer fernseher verstecken. Mit diesen fünf cleveren lösungen, integrierst du das gerät ganz einfach in dein wohnzimmer. Hier ist für jedes wohnzimmer ein passendes versteck dabei. Fernseher verstecken genial tv lift möbel in 2019 fernseher verstecken, fernseher kabel verstecken heimkino 20 kabel wand, wohin bloss mit dem tv sweet home, fernseher an die wand hängen kabel verstecken haus, 43 schön bild von fernseher verstecken ikea boxofficeday com, 5 tipps für bessere. Sie können nicht haben immer zur auszahlung eine menge geld und kaufen neu hausrat to regenerieren diese schau. Hallo community, ich möchte gerne einen flachbildfernseher an die wand hängen. Mit diesen fünf cleveren lösungen, integrierst du das gerät ...
Geometry Worksheet Kites And Trapezoids Answers - Geometry Worksheet Kites By My Geometry World Tpt - Use the kite shown to answer the following. . A isosceles trapezoid is a trapezoid with congruent base angles. Of the worksheets for this concept are 6 properties of trapezoids, properties of trapezoids work answers, geometry work name kites and trapezoids period, properties of trapezoids and kites, kites and trapezoids work. Some of the worksheets for this concept are 6 properties of trapezoids, area of trapezoids, geometry work name kites and trapezoids period, area of triangles parallelograms and trapezoids, area of triangles parallelograms trapezoids, sj area. Want to read both pages? Help your students distinguish between trapezoids and other polygons with this fun coloring worksheet! Play this game to review geometry. Free interactive geometry worksheets with solutions. Find m∠p, m∠q and m∠r. This video is a formal lesson on the properties of kites and trapezoi...
Comments
Post a Comment