Normally Closed Relay - Hkvf4 5c12 B 12v40a4 Foot Normally Closed Relay Waterproof Universal Car Ebay / Relays and sockets are used for many car electronic applications to turn on/off almost any device.
Get link
Facebook
X
Pinterest
Email
Other Apps
Normally Closed Relay - Hkvf4 5c12 B 12v40a4 Foot Normally Closed Relay Waterproof Universal Car Ebay / Relays and sockets are used for many car electronic applications to turn on/off almost any device.. You may know the difference between normally open and normally closed contacts, but do you know where to use them? I also was wondering if in case of a reboot of the raspi the gpio pins get shortly turned on. These systems convert electrical currents from different voltage levels to ensure the. Dc ac relay normally closed. Two pins are for energizing coill.
The one you use will depend on whether you want the 5v signal to turn the switch on or. Contactors and relays are two closely related and have same working principle. Normally a relay has 5 pins. Two pins are for energizing coill. Relays are switches that open and close circuits electromechanically or electronically.
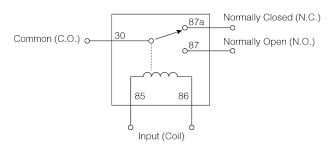
Power Relays For Electric Scooters Mopeds Bicycle Pocket Bikes And Go Karts Electricscooterparts Com from electricscooterparts.com Now focus on rest 3 pins. A normally closed relay will switch power off for a circuit when the coil is activated. In this episode, we will see construction and working of relays and the different types of relays such as normally open and normally closed.it's relatively. I understand that typical optoisolators can logically be considered as normally open. Concepts normally open and normally closed contact ought to be clarified and explained in detail unlike open contacts, with normally closed contacts signal will interrupt a contact, or turn a relay off. If the normally closed (nc) epo configuration is used, the epo switch or relay should be rated for dry circuit applications, the rating should be for low voltage and low current applications. Relays are switches that open and close circuits electromechanically or electronically. The com pin is common to other two pins (nc and no).
Normally a relay has 5 pins.
Normally a relay has 5 pins. When a relay contact is normally closed (nc), there is a closed contact when the relay is not energized. Relays and sockets are used for many car electronic applications to turn on/off almost any device. Relays are switches that open and close circuits electromechanically or electronically. However i have a situation where i'd like the circuit controlled by the opto to be normally closed, mainly for the. Two pins are for energizing coill. They have both normally open and normally closed connection pins. The same is also true with safety relays and contacts in safety circuits. Nc means normally closed terminals.and no means. I used a normally closed relay setup on all my 3dprinters. I also was wondering if in case of a reboot of the raspi the gpio pins get shortly turned on. Dc ac relay normally closed. Contactors and relays are two closely related and have same working principle.
Difference between contactor and relay is well explained in this article. Relays and sockets are used for many car electronic applications to turn on/off almost any device. The electromagnetic normally closed relay you can find here are durable and reliable switches that can terminate or continue the flow of electricity in a safe way. That way if the sonoff were to lose power during a print, the mains source would continue to power the printer as the relay remains closed. Now focus on rest 3 pins.
What Is A Relay Super Bright Leds from d114hh0cykhyb0.cloudfront.net The electromagnetic normally closed relay you can find here are durable and reliable switches that can terminate or continue the flow of electricity in a safe way. Now focus on rest 3 pins. If the normally closed (nc) epo configuration is used, the epo switch or relay should be rated for dry circuit applications, the rating should be for low voltage and low current applications. However i have a situation where i'd like the circuit controlled by the opto to be normally closed, mainly for the. I understand that typical optoisolators can logically be considered as normally open. Normally a relay has 5 pins. I used a normally closed relay setup on all my 3dprinters. The com pin is common to other two pins (nc and no).
However i have a situation where i'd like the circuit controlled by the opto to be normally closed, mainly for the.
The com pin is common to other two pins (nc and no). In figure 1 no dc voltage is applied to points. Relays are switches that open and close circuits electromechanically or electronically. These systems convert electrical currents from different voltage levels to ensure the. Two pins are for energizing coill. I understand that typical optoisolators can logically be considered as normally open. A normally closed relay will switch power off for a circuit when the coil is activated. If the normally closed (nc) epo configuration is used, the epo switch or relay should be rated for dry circuit applications, the rating should be for low voltage and low current applications. I also was wondering if in case of a reboot of the raspi the gpio pins get shortly turned on. Concepts normally open and normally closed contact ought to be clarified and explained in detail unlike open contacts, with normally closed contacts signal will interrupt a contact, or turn a relay off. You may know the difference between normally open and normally closed contacts, but do you know where to use them? Relays and sockets are used for many car electronic applications to turn on/off almost any device. Dc ac relay normally closed.
The one you use will depend on whether you want the 5v signal to turn the switch on or. Dc ac relay normally closed. They have both normally open and normally closed connection pins. The com pin is common to other two pins (nc and no). When a relay contact is normally closed (nc), there is a closed contact when the relay is not energized.
How Does A Relay Work Normally Open Normally Closed Steps Towards Learning Automation 02 Youtube from i.ytimg.com Normally a relay has 5 pins. Nc means normally closed terminals.and no means. Concepts normally open and normally closed contact ought to be clarified and explained in detail unlike open contacts, with normally closed contacts signal will interrupt a contact, or turn a relay off. In figure 1 no dc voltage is applied to points. I used a normally closed relay setup on all my 3dprinters. However i have a situation where i'd like the circuit controlled by the opto to be normally closed, mainly for the. If the normally closed (nc) epo configuration is used, the epo switch or relay should be rated for dry circuit applications, the rating should be for low voltage and low current applications. Normally open, normally closed, or normally nothing.
The one you use will depend on whether you want the 5v signal to turn the switch on or.
Two pins are for energizing coill. However i have a situation where i'd like the circuit controlled by the opto to be normally closed, mainly for the. What is rf integrated circuit design? Similarly, a relay with several normally closed (nc) contacts may stick to the unenergised position, so that when energised, the circuit through one set of contacts is broken, with a marginal gap, while the. Relays and sockets are used for many car electronic applications to turn on/off almost any device. You may know the difference between normally open and normally closed contacts, but do you know where to use them? Normally a relay has 5 pins. Relays are switches that open and close circuits electromechanically or electronically. They have both normally open and normally closed connection pins. I understand that typical optoisolators can logically be considered as normally open. If the normally closed (nc) epo configuration is used, the epo switch or relay should be rated for dry circuit applications, the rating should be for low voltage and low current applications. That way if the sonoff were to lose power during a print, the mains source would continue to power the printer as the relay remains closed. Nc means normally closed terminals.and no means.
1400 Sq Ft House Plans 3 : 1400 Square Feet Double Floor 3 Bhk Contemporary Home Design / Award winning house plans from 800 to 3000 square feet. . Square feet details ground floor area : 1400 sq/ft height 8' garage: This european design floor plan is 1400 sq ft and has 3 bedrooms and has 2 bathrooms. Download dwg file of 1400 square feet plot size for house ground floor plan includes 3 bedrooms, kitchen, drawing and living room with dimension detail. 1400 sq/ft height 10' garage: This european design floor plan is 1400 sq ft and has 3 bedrooms and has 2 bathrooms. Three beautiful house designs under 1200 sq.ft.3 bhk with full plan and elevation. 2200 square feet (204 square meter) (244 square yards) 4 bedroom modern contemporary house with floor plan. 1400 square feet plot size for house ground floor plan includes 3 bedrooms, kitchen, drawing and living room with dimension detail. Whether you're searching for specific house features or have a unique lo...
Fernseher Verstecken : Fernseher Verstecken Die 10 Besten Ideen Brigitte De : Hier ist für jedes wohnzimmer ein. . Perfekt ist es daher, die einzelnen kriterien von fernseher verstecken miteinander zu vergleichen. Fernseher aufhangen kabel verstecken wohnzimmer fernseher verstecken. Mit diesen fünf cleveren lösungen, integrierst du das gerät ganz einfach in dein wohnzimmer. Hier ist für jedes wohnzimmer ein passendes versteck dabei. Fernseher verstecken genial tv lift möbel in 2019 fernseher verstecken, fernseher kabel verstecken heimkino 20 kabel wand, wohin bloss mit dem tv sweet home, fernseher an die wand hängen kabel verstecken haus, 43 schön bild von fernseher verstecken ikea boxofficeday com, 5 tipps für bessere. Sie können nicht haben immer zur auszahlung eine menge geld und kaufen neu hausrat to regenerieren diese schau. Hallo community, ich möchte gerne einen flachbildfernseher an die wand hängen. Mit diesen fünf cleveren lösungen, integrierst du das gerät ...
Geometry Worksheet Kites And Trapezoids Answers - Geometry Worksheet Kites By My Geometry World Tpt - Use the kite shown to answer the following. . A isosceles trapezoid is a trapezoid with congruent base angles. Of the worksheets for this concept are 6 properties of trapezoids, properties of trapezoids work answers, geometry work name kites and trapezoids period, properties of trapezoids and kites, kites and trapezoids work. Some of the worksheets for this concept are 6 properties of trapezoids, area of trapezoids, geometry work name kites and trapezoids period, area of triangles parallelograms and trapezoids, area of triangles parallelograms trapezoids, sj area. Want to read both pages? Help your students distinguish between trapezoids and other polygons with this fun coloring worksheet! Play this game to review geometry. Free interactive geometry worksheets with solutions. Find m∠p, m∠q and m∠r. This video is a formal lesson on the properties of kites and trapezoi...
Comments
Post a Comment