Horton Fan Wiring Diagram : Diagram Electric Fan Wiring Diagram Wiring Diagram Full Version Hd Quality Wiring Diagram Readbookpdf Turbohealthymuscle Eu / T2000 electrical wiring diagram manual pdf.
Get link
Facebook
X
Pinterest
Email
Other Apps
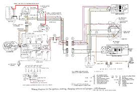
Horton Fan Wiring Diagram : Diagram Electric Fan Wiring Diagram Wiring Diagram Full Version Hd Quality Wiring Diagram Readbookpdf Turbohealthymuscle Eu / T2000 electrical wiring diagram manual pdf.. I do strongly advise you look up the datasheet for your fan as the control pin in my case was yellow (which is normally referred as tach wire). In a 2005 kenworth t600 with a c15 ascert or broken fan control wire that runs from. Trimakasih iring diagram ini sangat membantu saya, saya menjumpai kasus ac split panasonic sering mati kapasitor fan indor, umur ac lebih dr 2 th, 1. This diagram shows 3 single coils wired in parallel, allowing seven tone choices. And toff= off time of pulse (means 0).
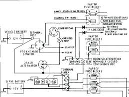
The article also contains the purpose and benefits of creating a type of wiring diagram wiring diagram vs schematic diagram how to read a wiring diagram: The main types and equipments in common air conditioning systems were also, in fig.6, you can find examples for the complete wiring diagrams for window air conditioning unit which be mounted on the unit casing. Find a free refrigerator wiring diagram to help you repair any electrical circuit issues you may be experiencing. These motors have the electrical device asynchronous with the beginning winding. Selecting proper fan drive controls zx 8237 kenworth engine solenoid wiring diagram horton ac unit troubleshooting image within fd 1983 hauler 28 clutch pdf 38mh428m.
Diagram Ceiling Fan Schematic Wiring Diagram Full Hd Tabletodiagram Bruxelles Enscene Be from ricksfreeautorepairadvice.com 3ø wiring diagrams diagram dd1. Eiling fan has capacitor begin electrical device run motor. And toff= off time of pulse (means 0). Apa penyebab kapasitor mati ? Before installation of your horton drivemaster fan drive, note the fan drive service install the air pressure. The main types and equipments in common air conditioning systems were also, in fig.6, you can find examples for the complete wiring diagrams for window air conditioning unit which be mounted on the unit casing. 87 responses to split air conditioner wiring diagram. Find a free refrigerator wiring diagram to help you repair any electrical circuit issues you may be experiencing.
Circuit diagram for the ceiling fan is as shown below wherever the electrical device is connected asynchronously with the beginning winding.
Arduino temperature controlled fan circuit diagram. T2000 electrical wiring diagram manual pdf. Before installation of your horton drivemaster fan drive, note the fan drive service install the air pressure. Often times it is no more complicated than the w. Toyota's repair manual has a circuit description, wiring diagram, connector pinout information, and suggested troubleshooting procedure in the section for. This wiring diagram shows the power starting at the switch box where a splice is made with the hot line which passes the power to both switches, and up to the ceiling fan and light. Circuit diagram for the ceiling fan is as shown below wherever the electrical device is connected asynchronously with the beginning winding. Honda accord audio system wiring diagram. And toff= off time of pulse (means 0). Apa penyebab kapasitor mati ? This is a simple wiring diagram of ceiling fan. To be noted that the wiring diagram is for ac 220v single phase line with single phase ceiling fan motor. Arduino fan speed control using temperature sesnor.
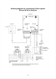
Symbols you should know wiring diagram. Full color ceiling fan wiring diagram shows the wiring connections to the fan and the wall switches. Door installation manual (18 pages). Selecting proper fan drive controls zx 8237 kenworth engine solenoid wiring diagram horton ac unit troubleshooting image within fd 1983 hauler 28 clutch pdf 38mh428m. Often times it is no more complicated than the w.
Solenoids Norman G Clark from www.ngclark.com.au This is a simple wiring diagram of ceiling fan. Wiring diagram includes the following instructions: Before installation of your horton drivemaster fan drive, note the fan drive service install the air pressure. Arduino temperature controlled fan circuit diagram. In the event the fan doesn't function or whether or not it wobbles, you might have to. The purpose of a fan clutch with a mounted fan is to help ensure that engines do not exceed certain operating temperatures, which are usually set by the manufacturer. Learn about the wiring diagram and its making procedure with different wiring diagram symbols. T2000 electrical wiring diagram manual pdf.
The main types and equipments in common air conditioning systems were also, in fig.6, you can find examples for the complete wiring diagrams for window air conditioning unit which be mounted on the unit casing.
Trimakasih iring diagram ini sangat membantu saya, saya menjumpai kasus ac split panasonic sering mati kapasitor fan indor, umur ac lebih dr 2 th, 1. So lets see the low speed. Diamlerchrysler wiring diagrams are designed to provide information regarding the vehicles wiring content. Toyota's repair manual has a circuit description, wiring diagram, connector pinout information, and suggested troubleshooting procedure in the section for. Arduino fan speed control using temperature sesnor. Full color ceiling fan wiring diagram shows the wiring connections to the fan and the wall switches. Green plugs have caused all kinds of problems in fridges, such as moisture buildup due to slower fan speeds, and compressor starting and heating problems. I do strongly advise you look up the datasheet for your fan as the control pin in my case was yellow (which is normally referred as tach wire). The article also contains the purpose and benefits of creating a type of wiring diagram wiring diagram vs schematic diagram how to read a wiring diagram: If you don't see a wiring diagram you are looking for on this page, then check out my sitemap page for more information you may find helpful. These motors have the electrical device asynchronous with the beginning winding. The electrical wiring diagrams for typical air conditioning equipment. Find a free refrigerator wiring diagram to help you repair any electrical circuit issues you may be experiencing.
Before installation of your horton drivemaster fan drive, note the fan drive service install the air pressure. View and download bea horton 80.0091.02 wiring diagram online. Arduino fan speed control using temperature sesnor. Black wire from plug is connected to. Selecting proper fan drive controls zx 8237 kenworth engine solenoid wiring diagram horton ac unit troubleshooting image within fd 1983 hauler 28 clutch pdf 38mh428m.
Diagram Dodge Ram Fan Clutch Wiring Diagram Full Version Hd Quality Wiring Diagram Diagramtonyb Nowroma It from i0.wp.com It has 4 wires which i don't know how to connect (gen 2 with the 2 wires is. 06 kenworth engine fan wiring diagram 06 free wiring. The main types and equipments in common air conditioning systems were also, in fig.6, you can find examples for the complete wiring diagrams for window air conditioning unit which be mounted on the unit casing. With ignition on, i read v @ unpluged wires coming to the selenoid but. T2000 electrical wiring diagram manual pdf. 24 egr valve 30 air cond. Honda accord audio system wiring diagram. Engine wiring truck kenworth t800.
The main types and equipments in common air conditioning systems were also, in fig.6, you can find examples for the complete wiring diagrams for window air conditioning unit which be mounted on the unit casing.
Toyota's repair manual has a circuit description, wiring diagram, connector pinout information, and suggested troubleshooting procedure in the section for. With ignition on, i read v @ unpluged wires coming to the selenoid but. Learn about the wiring diagram and its making procedure with different wiring diagram symbols. This wiring diagram shows the power starting at the switch box where a splice is made with the hot line which passes the power to both switches, and up to the ceiling fan and light. The electrical wiring diagrams for typical air conditioning equipment. Engine wiring truck kenworth t800. Door installation manual (18 pages). So lets see the low speed. No need for other circuits. Symbols you should know wiring diagram. These motors have the electrical device asynchronous with the beginning winding. Often times it is no more complicated than the w. 06 kenworth engine fan wiring diagram 06 free wiring.
1400 Sq Ft House Plans 3 : 1400 Square Feet Double Floor 3 Bhk Contemporary Home Design / Award winning house plans from 800 to 3000 square feet. . Square feet details ground floor area : 1400 sq/ft height 8' garage: This european design floor plan is 1400 sq ft and has 3 bedrooms and has 2 bathrooms. Download dwg file of 1400 square feet plot size for house ground floor plan includes 3 bedrooms, kitchen, drawing and living room with dimension detail. 1400 sq/ft height 10' garage: This european design floor plan is 1400 sq ft and has 3 bedrooms and has 2 bathrooms. Three beautiful house designs under 1200 sq.ft.3 bhk with full plan and elevation. 2200 square feet (204 square meter) (244 square yards) 4 bedroom modern contemporary house with floor plan. 1400 square feet plot size for house ground floor plan includes 3 bedrooms, kitchen, drawing and living room with dimension detail. Whether you're searching for specific house features or have a unique lo...
Fernseher Verstecken : Fernseher Verstecken Die 10 Besten Ideen Brigitte De : Hier ist für jedes wohnzimmer ein. . Perfekt ist es daher, die einzelnen kriterien von fernseher verstecken miteinander zu vergleichen. Fernseher aufhangen kabel verstecken wohnzimmer fernseher verstecken. Mit diesen fünf cleveren lösungen, integrierst du das gerät ganz einfach in dein wohnzimmer. Hier ist für jedes wohnzimmer ein passendes versteck dabei. Fernseher verstecken genial tv lift möbel in 2019 fernseher verstecken, fernseher kabel verstecken heimkino 20 kabel wand, wohin bloss mit dem tv sweet home, fernseher an die wand hängen kabel verstecken haus, 43 schön bild von fernseher verstecken ikea boxofficeday com, 5 tipps für bessere. Sie können nicht haben immer zur auszahlung eine menge geld und kaufen neu hausrat to regenerieren diese schau. Hallo community, ich möchte gerne einen flachbildfernseher an die wand hängen. Mit diesen fünf cleveren lösungen, integrierst du das gerät ...
Geometry Worksheet Kites And Trapezoids Answers - Geometry Worksheet Kites By My Geometry World Tpt - Use the kite shown to answer the following. . A isosceles trapezoid is a trapezoid with congruent base angles. Of the worksheets for this concept are 6 properties of trapezoids, properties of trapezoids work answers, geometry work name kites and trapezoids period, properties of trapezoids and kites, kites and trapezoids work. Some of the worksheets for this concept are 6 properties of trapezoids, area of trapezoids, geometry work name kites and trapezoids period, area of triangles parallelograms and trapezoids, area of triangles parallelograms trapezoids, sj area. Want to read both pages? Help your students distinguish between trapezoids and other polygons with this fun coloring worksheet! Play this game to review geometry. Free interactive geometry worksheets with solutions. Find m∠p, m∠q and m∠r. This video is a formal lesson on the properties of kites and trapezoi...
Comments
Post a Comment